SSMA
Specifications
Temp Range | -55~+155°C (PE Cable -40~+85°C) |
---|---|
Vibration | MIL-STD-202,Method 213 |
Impedance | 50Ω |
Frequency Range | DC~10GHz(Semi-Flexible 0~18GHz) |
Working Voltage | 250V Max |
Withstand Voltage | 750V RMS |
Insertion Lost | ≤0.15 dB@6GHz |
Insulation Resistance | 1000 MΩ |
Durability(mating) | ≥500cycles |
VSWR | ≤1.07+0.10f(GHz) |
Contact Resistance
Center Contact | ≤6MΩ |
---|---|
Outer Contact | ≤1MΩ |
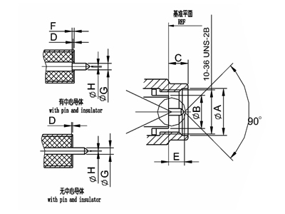
SSMA Male
Letter | Minimum | Maximum |
---|---|---|
A | 4.98 | - |
B | 3.05 | 2.06 |
C | 2.54 | 3.81 |
D | 0.00 | - |
E | 1.27 | - |
F | 0.00 | 3.10 |
G | 0.495 | 3.40 |
H | 0.00 | 3.40 |
J | 70° | 90° |

SSMA Female
Letter | Minimum | Maximum |
---|---|---|
A | 3.89 | 4.06 |
B | 3.23 | 3.30 |
C | 1.91 | 1.96 |
D | 0.00 | 0.25 |
E | 0.51 | 1.02 |
F | 1.91 | - |
G | 0.00 | 0.25 |
H | 4.83 | 5.33 |
J | 5.84 | - |
K | - | - |

MATERIAL & PLATING
Shell | Brass, Gold Plated |
---|---|
Contact Pin | Brass, Gold Plated |
Socket | Beryllium, Gold Plated |
Insulator | PTFE |
Crimping Suite | Copper Alloy, Nickel or Gold Plated |
O-ring Sealing | Silastic |