N
Specifications
Temp Range | -65~+165°C (PE Cable -40~+85°C) |
---|---|
Vibration | MIL-STD-202,Method 213 |
Impedance | 50Ω |
Frequency Range | DC~11GHz |
Working Voltage | 1000V Max |
Withstand Voltage | 2500V RMS |
Insertion Lost | ≤0.15 dB@6GHz |
Insulation Resistance | 5000 MΩ |
Durability(mating) | ≥500cycles |
Contact Resistance
Center Contact | ≤1MΩ |
---|---|
Outer Contact | ≤1MΩ |
VSWR
Straight |
|
---|---|
Right Angle |
|
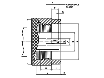
N Male
Letter | Minimum | Maximum |
---|---|---|
A | 16.00 | - |
B | - | 8.38 |
C | 3.00 | 3.15 |
D | 1.60 | 1.68 |
E | 5.33 | 5.84 |
F | 3.30 | 5.84 |
G | 0.08 | - |
H | 4.50 | 5.00 |
I | 4.01 | 4.27 |
J | 10.11 | 10.46 |
K | 0.41 | 1.52 |

N Female
Letter | Minimum | Maximum |
---|---|---|
A | - | 15.93 |
B | 8.53 | 8.74 |
C | 8.03 | 8.13 |
D | 10.72 | - |
E | 5.33 | - |
F | 4.75 | 5.26 |
G | 1.19 | 1.96 |
H | 4.37 | 5.13 |
I | 9.04 | 5.19 |
J | 3.00 | 3.15 |

MATERIAL & PLATING
Shell | Brass, Nickel Plated |
---|---|
Contact Pin | Brass, Gold or Silver Plated |
Socket | Beryllium, Gold or Silver Plated |
Insulator | PTFE |
Crimping Suite | Copper Alloy, Nickel or Gold Plated |
O-ring Sealing | Silastic |