MCX
Specifications
Temp Range | -65~+165°C (PE Cable -40~+85°C) |
---|---|
Vibration | MIL-STD-202,Method 213 |
Impedance | 50Ω |
Frequency Range | DC~12.4GHz(Semi-Flexible 0~18GHz) |
Working Voltage | 250V(50Ω), 170V(75Ω) |
Withstand Voltage | 1000V RMS |
Insertion Lost | ≤0.15 dB@6GHz |
Insulation Resistance | 5000 MΩ |
Durability(mating) | ≥500cycles |
Contact Resistance
Center Contact | ≤5MΩ |
---|---|
Outer Contact | ≤2.5MΩ |
VSWR
Straight |
|
---|---|
Right Angle |
|
MCX Male
Letter | Minimum | Maximum |
---|---|---|
A | 3.66 | 3.76 |
B | 2.00 | 2.07 |
C | 0.48 | 0.53 |
D | 4.16 | - |
E | 2.81 | 3.20 |
F | 0.00 | 0.30 |
G | 2.81 | 3.20 |
H | - | 3.40 |
I | - | 5.92 |

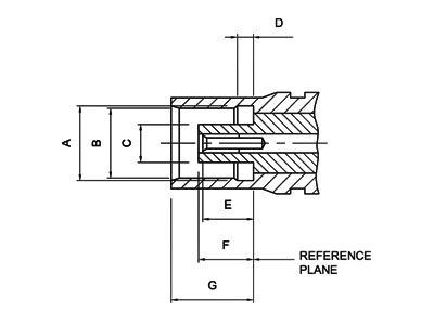
MCX Female
Letter | Minimum | Maximum |
---|---|---|
A | 3.61 | 3.75 |
B | 3.43 | 3.48 |
C | 1.80 | 1.97 |
D | 0.75 | 0.85 |
E | 2.31 | 2.79 |
F | 2.61 | 2.79 |
G | 4.00 | 4.12 |

MATERIAL & PLATING
Shell | Brass, Gold Plated |
---|---|
Contact Pin | Brass, Gold Plated |
Socket | Beryllium, Gold Plated |
Insulator | PTFE |
Crimping Suite | Copper Alloy, Nickel or Gold Plated |
O-ring Sealing | Silastic |